 |
Aseptic sampling valve
Aseptic sampling valve adapt to the modern sectors of fluid sampling requirements and design widely used in sterile conditions from the tank or pipeline system in the sampling.
Performance and merit
1. In every sampling conducted before or after sterilized to prevent the secondary pollution
2. Steam or alcohol can be used for in-situ sterilization (SIP)
3. Diaphragm replace the seal ring structure, no dead ends, more thorough sterilization
4. Outfall increased so that dirt can removed in time after the sterilization
5. Adjustable sampling can achieve a lot of sampling and micro-sampling
Technical parameters
Working pressure ≤ 1.0 Mpa |
Sterilization 125~135°C |
Body materials 304 304L |
Seal material VMQ, EPDM |
Way of connection welding end, threaded end, clamp end |
|
|
Quike aseptic sampling valve |
|
KS-V1201
|
| Thread aseptic sampling valve |

KS-V1202
|
| Male aseptic sampling valve |

KS-V1203
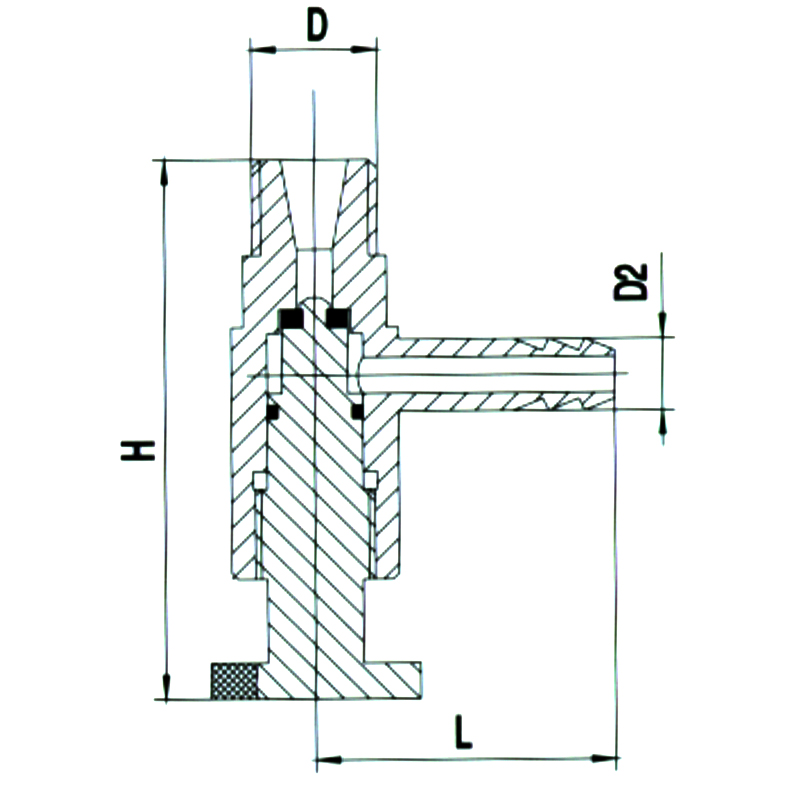
Size |
|
D |
|
H |
DN6 |
|
1/2 |
12 |
90 |
8 |
50 |
1/2 |
12 |
90 |
|
| Clamp aseptic sampling valve |

KS-V1204
Size |
|
D |
|
H |
DN6 |
|
50.5 |
12 |
90 |
8 |
50 |
50.5 |
12 |
90 |
|
| Weld aseptic sampling valve |

KS-V1205
Size |
|
D |
|
H |
DN6 |
|
25.4 |
12 |
90 |
8 |
50 |
25.4 |
12 |
90 |
|